Scooter Passion sera fermé du jeudi 5 au jeudi 12. 
Notre site reste disponible et les livraisons reprendront le 13 

Langue :
  • Français
  • Nederlands
 Connexion
shopping_cart Panier (0)

Saferide Srl
  •   Trottinettes électriques
    •   Accessoires trottinettes électriques
    •   Freins pour trottinettes électriques
    •   Pneus et chambres à air pour trottinettes électriques
    • Trottinettes électriques ETANCHES - Sélection Scooter Passion
    •   VSETT et VSETT APEX - Trottinettes électriques et pièces
    •   KUICKWHEEL M16 PRO, S1-C PRO et S9 - Trottinettes électriques étanches et pièces détachées
    •   ETWOW Booster S+, V confort, ES, GT SL & SE, GTS - Trottinettes électriques et pièces détachées
    •   NAMI Stellar, Klima, Blast, Burn-e - Trottinettes électriques et pièces détachées
    •   MINIMOTORS Speedway Futecher Bluetran Dualtron - Trottinettes électriques et pièces détachées
    •   INMOTION - Trottinettes électriques étanches AIR PRO, S1, CLIMBER, RS et pièces détachées
    •   TEKNES - Trottinettes électriques étanches TK1 et pièces détachées
    •   MINIWALKER Tiger 9, Tiger 10 - Trottinettes électriques et pièces détachées
    •   TEVERUN BLADE et FIGHTER - Trottinette électrique et pièces détachées
    •   XIAOMI M365, M365 Pro, 1S - Pièces pour trottinettes
    •   POWER ZERO 8, 8X, 9, 10, 10X et 11X - Trottinettes électriques et pièces détachées
    •   NINEBOT SEGWAY E22, E25, G30 MAX , Series D et F - Trottinette électrique et pièces détachées
    •   INOKIM QUICK 4 et OXO - Trottinettes électriques et pièces détachées
    •   CURRUS NF10, NF10+ et NF11 Panther - Trottinettes électriques et pièces détachées
    •   BRONCO - Trottinettes électriques et pièces détachées
    •   QuadBoard MIA FOUR
    •   KAABO Mantis 8, Mantis K800 et Mantis GT V.3.0, Wolf Warrior - Trottinettes électriques et pièces détachées
    •   ONEMILE B12 Halo S, Halo City et Scrambler S et V - Trottinette, scooter électrique pliable, speedbike et pièces détachées
    •   VÄSSLA - Scooters électrique et pièces détachées
    •   HIKERBOY - FOXTROT, FOXTROT + et TURBO - Trottinettes électriques et pièces détachées
    •   KingSong INMOTION - Pièces détachées trottinette électrique KS N10
    •   SKATEBOARDS ELECTRIQUES - PROPEL, EVO SPIRIT, EVOLVE, ONSRA
    •   Casques, gants et protection pour trottinettes électriques
    • KinSong KS16, KS18 - Gyroroues
  •   RC modelisme
    •   Voitures RC et pièces détachées
    •   Pièces détachées voitures rc
    •   Moteurs thermiques nitro et zenoah essence RC
    •   Moteurs électriques, variateurs ESC et accessoires RC
    •   Batteries Lipo, chargeurs, alimentation et accessoires RC
    • Roulements voiture rc
    •   Radio, récepteurs, servos, gyroscopes et accessoires
    •   Pneus voitures RC
    •   Carrosseries voitures RC
    • Outils modélisme RC
    • Sac transport et rangement - Bagagerie - Modélisme RC
    •   Produits consommables, lubrifiant et peintures modélisme RC
    •   Bateaux RC
    • Ecrou, vis, rondelle et fixation modélisme RC
  •   Lambretta Vintage
    •   Lambretta A
    •   Lambretta B
    •   Lambretta C
    •   Lambretta LC
    •   Lambretta E
    •   Lambretta F
    •   Lambretta LD Français
    •   Lambretta 125 D, LD 125 1952 à 1954
    •   Lambretta 150 D, LD 1954 à 1956, 125 LD 1956, 125-150 LD 1957
    •   Lambretta Serie 1 TV 175
    •   Lambretta Serie 1 LI 125-150
    •   Lambretta Serie 2 LI 125-150, TV 175
    •   Lambretta Serie 3 LI 125-150, Special, TV175, SX 150-200
    •   Lambretta DL/GP 125-150-200
    • Lambretta Eibar et Serveta
    •   Lambretta Junior ( J50, DL, Special, Cento, Starstream)
    •   Lambretta Lui (Vega, Cometa)
    •   Lambrettino 48
  •   Vespa Vintage
    •   Vespa Faro Basso
    •   Vespa Struzzo VL ACMA
    •   Vespa GS 150
    •   Vespa VB1
    •   Vespa VNA
    •   Vespa VNB
    •   Vespa VBA, VBB, VGLA, VGLB, GL
    •   Vespa GS 160 et 180 SS
    •   Vespa Sprint, GT, Super, Rally 180
    •   Vespa GTR, TS, Sprint Veloce et Rally 200
    •   Vespa V50 N, L et R
    •   Vespa 50 Special, Primavera & ET3
    •   Vespa PK, S, Rush, XL, HP, N, XL2,...
    •   Vespa PK Automatica/Plurimatic
    •   Vespa PE PX 125-150-200 Classic
    •   Vespa PX 125-150-200 Frein à disque
    •   Vespa T5
    •   Vespa Cosa 125, 150 et 200
  •   Vespa Modernes
    •   Vespa type GT
    •   Vespa type GTS
    •   Vespa type GTV
    •   Vespa type LX
    •   VESPA Type LXV
    •   Vespa S
    •   Vespa Sprint 50-150
  •   Scooter Products
    • Scooter Vespa pour enfants
    • Bon d'achats : anniversaire, fêtes...
    • Manuels Lambretta
    • Manuels Vespa
    • Porte-documents Vespa
    • Broderies - Patches
    • Autocollants
    • Posters
    • Goodies
    • Bougie d'allumage Vespa et Lambretta
    • Huiles et lubrifiants
    • Pneumatiques Vespa Lambretta
    •   Ampoules
    • Trousse à outils de voyage
    • Produits de montage, assemblage
  • Contact

Notre boutique utilise des cookies pour améliorer l'expérience utilisateur et nous vous recommandons d'accepter leur utilisation pour profiter pleinement de votre navigation.

Plus d'informations
  1. Accueil
  2. Vespa Modernes
  3. VESPA Type LXV
  4. VESPA Type LXV 125 ZAPM44301

VESPA Type LXV 125 ZAPM44301

    • Moteur
      
      • Kit joints moteur
      • Carters moteur
      • Vilbrequin
      • Groupe thermique, cylindre
      • Culasse et soupapes
      • Arbre à cames
      • Bougie et valve
      • Variateur et courroie
      • Embrayage
      • Carter transmission
      • Distribution
      • Démarreur électrique
      • Système d'allumage
      • Distribution d'huile
      • Transmission arrière
      • Pipe d'admission carburateur
      • Carburateur
      • Echappement
      • Filtre à air
      • Boite à air secondaire
    • Châssis et carrosserie
      
      • Châssis
      • Béquille
      • Contour tablier et descente klaxon
      • Boîtes à gants
      • Tapis de sol et baguettes
      • Caches latéraux inférieurs d'ailes
      • Gardes-boue avant et arrière
      • Bac de selle et compartiment batterie
      • Pare boue arrière
      • Insigne, logo et embleme
      • Selle
      • Porte-paquet arrière
      • Rétroviseurs
      • Barrilet de neiman
      • Robinet et réservoir essence
      • Pare-brise saute vent et caches guidon
      • Compteur
      • Poignées, levier de frein et maître cylindre
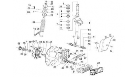
    • Suspension et frein
      
      • Bras de suspension arrière
      • Fourche, frein et amortisseur avant
      • Frein arrière
      • Amortisseur arrière
      • Roues et jantes
      • Etrier frein avant
      • Durites de frein
    • Pièces électriques
    • Outils
    • Accessoires

Retrouver toutes les pièces et tous les accessoires pour votre Vespa LXV en Belgique chez Scooter Passion, votre magasin spécialié en pièces détachées Piaggio en Belgique et en France

Préfixe châssis : ZAPM44301
Préfix moteur : M444M

Moteur
Moteur
Châssis et carrosserie
Châssis et carrosserie
Suspension et frein
Suspension et frein
Pièces électriques
Pièces électriques
Outils
Outils
Accessoires
Accessoires

Recevez nos offres spéciales
Vous pouvez vous désinscrire à tout moment. Vous trouverez pour cela nos informations de contact dans les conditions d'utilisation du site.

Suivez-nous:

  • Facebook
  • YouTube
  • Google+
  • Instagram

Produits

Produits  
  • Promotions
  • Nouveaux produits
  • Meilleures ventes

Notre société

Notre société  
  • Livraison et enlèvement
  • Mentions légales
  • Conditions générales
  • Qui sommes-nous ?
  • Paiement sécurisé
  • Contact - Horaires
  • Plan du site

Votre compte

Votre compte  
  • Informations personnelles
  • Commandes
  • Avoirs
  • Adresses
  • Bons de réduction

Informations

Saferide Srl
Rue du Tahay, 6
4357 Limont (Donceel)
Belgique
Appelez-nous : 0495346657
Écrivez-nous : shop@scooterpassion.be
Informations

© 2026 Scooter Passion. Tous droits réservés | Powered by IT Place